Добрый день. Предусматриваем систему увлажнения Buhler Manitoba 12 (c.18 - схема подключения).
Интересует именно управление по зонам. Технические специалисты Buhler ответили: При использовании зонального контроллера MZC10RF, управление каждой зоной можно совместить с пультами HS1 посредством последовательного подключения управляющих устройств. Подскажите пожалуйста, каким устройством WB можно реализовать данное решение, если возможно?
Добрый день.
Мы такой не настраивали к сожалению.
Но судя по схеме имеем два типа пультов управления:
HS (Hand Switch / Hand Station) пульт управления.
MHS (Manual Hand Switch / Manual Hand Station) пульт ручного управления (аналогично HS, часто используется для акцентирования именно ручного режима работы устройства).
Я бы обратил внимание на MHS похоже что это они и умеют через реле и тогда уже подобрать подходящее.
Добрый день.
Если у вас остались вопросы к тех.поддержке по теме - пишите, постараемся помочь.
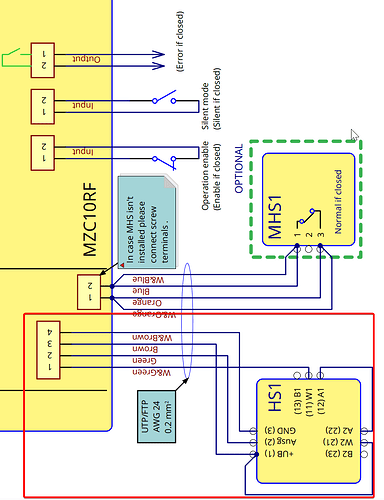
Добрый день. Связался с менеджером поддержки Buhler, сообщили, что на каждой зоне Контроллера MZC10RF есть сухие контакты для управления (по схеме в руководстве на систему это не очевидно), так что можно обойтись без пультов. Для защиты от переувлажнения можно установить максимальные гидростаты MHS1. Есть сухие контакты для управления тихим режимом и вкл/выкл системы на тех же контроллерах. Помогите с подбором оптимальных для данных задач модулей реле, пожалуйста. Могу после реализации поделиться опытом.
Для получения сигнала с гидростатов (в интернете пишут что у них выходной сигнал сухой контакт) можно использовать WBIO-DI-WD-14 либо WB-MCM8
Предполагаю что у цепей управления токи не большие поэтому вполне можно использовать WBIO-DO-SSR-8


