Добрый день! Подскажите, пожалуйста, сколько датчиков 0-10V можно подключить к WB-MAI6 одновременно?
Нужно ли докупать комплект делителей напряжения?
Добрый день! Подскажите, пожалуйста, сколько датчиков 0-10V можно подключить к WB-MAI6 одновременно?
Нужно ли докупать комплект делителей напряжения?
Добрый день!
Можно подключить до 12 датчиков 0-10 В. В данном случае делитель напряжения не понадобится.
Спасибо! А в каких случаях делитель нужен?Подскажите, пожалуйста.
Прошу прощения, я вас ввел в заблуждение.
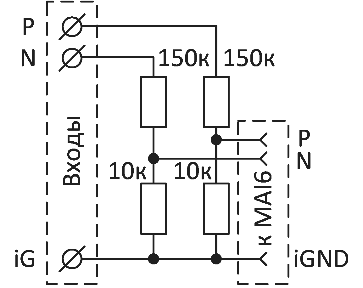
При измерении напряжения более 4.5 В нужно уже применять делитель напряжения WB-VDIV.
При использовании делителей количество датчиков 0-10 В то же остается, 12 шт можно присоединить?
Вот здесь тоже не совсем верно.
Напряжение от -2 В до 30 В
от 0 В до 60 В с использованием [WB-VDIV](https://wirenboard.com/wiki/WB-VDIV)
Ссылка на технические требования.
Значит можно подавать до 30 В без делителя.
Добрый день!
У вас остались еще вопросы?