WB-MR6C v2 - Перестали работать выходы

Добрый день,
На реле WB-MR6CU v2 перестали меняться выходы K1-K6. В веб интерфейсе вкл/выключаю выходы К1-К6 и на самом реле индикаторы (лампочки) выходов вкл/выклячаются, но на самих выходах напряжение не появляется (на выходе К6 наоборот напряжение постоянно есть и не выключается). При этом на входах COM1 и COM2 напряжение есть.
Обновил прошивку контроллера WB6 до последней версии 2507 и обновил прошивки модуля до 1.22.0 - не помогло.
Перезагружал по питанию реле - не помогло.
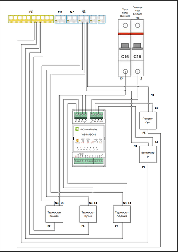
Схема подключения:

На вид вроде нет подгоревших мест в реле:

В логах wb-mqtt-serial есть такие записи:
Oct 16 12:12:17 wirenboard-AO5SACJL wb-mqtt-serial[8104]: ERROR: [driver] Failed to accept ‘on’ value for control “K5” of device “wb-mr6c_91”: Control “K5” of device “wb-mr6c_91” was deleted @ wblib/control.cpp:179
Oct 16 12:12:17 wirenboard-AO5SACJL wb-mqtt-serial[8104]: ERROR: [serial port driver] event for non existent device channel from control ‘wb-mr6c_91/K5’ value: ‘1’
Oct 16 12:12:17 wirenboard-AO5SACJL wb-mqtt-serial[8104]: ERROR: [driver] Failed to accept ‘on’ value for control “K5” of device “wb-mr6c_91”: Control “K5” of device “wb-mr6c_91” was deleted @ wblib/control.cpp:179
Oct 16 12:12:17 wirenboard-AO5SACJL wb-mqtt-serial[8104]: ERROR: [serial port driver] event for non existent device channel from control ‘wb-mr6c_91/K5’ value: ‘1’

Логи с контроллера (можно смотреть логи за сегодня 16.10.25):
diag_output_AO5SACJL_2025-10-16-12.18.20.zip (217,2 КБ)

Реле - wb-mr6с_91, серийный номер 4264720030.

Что можно сделать програмно с реле, чтобы оживить? Вытащить из электрощитка очень проблематично будет.

Здравствуйте, по вашей теме назначен ответственный инженер, он ответит в ближайшее время.

Здравствуйте.

Для начала давайте исключим работу драйвера и реле нам надо убедиться что оно живое.
Для этого необходимо подключиться к контроллеру по SSH

  1. Остановим работу драйвера командой
    systemctl stop wb-mqtt-serial

  2. Предварительно отключив нагрузку со входов COM проверим работу всех выходов реле с помощью утилиты modbus_client:
    modbus_client --debug -mrtu -b9600 -pnone -s2 /dev/ttyRS485-1 -a91 -t0x05 -r0 1
    modbus_client --debug -mrtu -b9600 -pnone -s2 /dev/ttyRS485-1 -a91 -t0x05 -r1 1
    modbus_client --debug -mrtu -b9600 -pnone -s2 /dev/ttyRS485-1 -a91 -t0x05 -r2 1
    modbus_client --debug -mrtu -b9600 -pnone -s2 /dev/ttyRS485-1 -a91 -t0x05 -r3 1
    modbus_client --debug -mrtu -b9600 -pnone -s2 /dev/ttyRS485-1 -a91 -t0x05 -r4 1
    modbus_client --debug -mrtu -b9600 -pnone -s2 /dev/ttyRS485-1 -a91 -t0x05 -r5 1

Если все реле живые то:

  1. необходимо будет попробовать перезапустить драйвер
    systemctl restart wb-mqtt-serial

  2. проверить настройки конфигов драйвера т.к. после обновлений ошибки могли остаться.
    /etc/wb-mqtt-serial.conf

  3. проверить правильно ли выбран шаблон устройства в WebUI.

Все манипуляции проводить с отключенной нагрузкой на каналах.

Добрый день,

Хотелось уточнить, что несколько лет реле работало без проблем. Проблема возникла недавно. И уже после возникновения проблемы я решил обновить прошивки.
Также остальные реле (где-то больше 5 штук) работают без проблем.

  1. Ок

  2. Нагрузку отключил. Вывод команд:
    wirenboard-AO5SACJL:~# systemctl stop wb-mqtt-serial
    wirenboard-AO5SACJL:~# modbus_client --debug -mrtu -b9600 -pnone -s2 /dev/ttyRS485-1 -a91 -t0x05 -r0 1
    Data to write: 0x1
    Opening /dev/ttyRS485-1 at 9600 bauds (N, 8, 2)
    [5B][05][00][00][FF][00][80][C0]
    Waiting for a confirmation…
    ERROR Connection timed out: select
    ERROR occured!
    wirenboard-AO5SACJL:~# modbus_client --debug -mrtu -b9600 -pnone -s2 /dev/ttyRS485-1 -a91 -t0x05 -r1 1
    Data to write: 0x1
    Opening /dev/ttyRS485-1 at 9600 bauds (N, 8, 2)
    [5B][05][00][01][FF][00][D1][00]
    Waiting for a confirmation…
    ERROR Connection timed out: select
    ERROR occured!
    wirenboard-AO5SACJL:~# modbus_client --debug -mrtu -b9600 -pnone -s2 /dev/ttyRS485-1 -a91 -t0x05 -r2 1
    Data to write: 0x1
    Opening /dev/ttyRS485-1 at 9600 bauds (N, 8, 2)
    [5B][05][00][02][FF][00][21][00]
    Waiting for a confirmation…
    ERROR Connection timed out: select
    ERROR occured!
    wirenboard-AO5SACJL:~# modbus_client --debug -mrtu -b9600 -pnone -s2 /dev/ttyRS485-1 -a91 -t0x05 -r3 1
    Data to write: 0x1
    Opening /dev/ttyRS485-1 at 9600 bauds (N, 8, 2)
    [5B][05][00][03][FF][00][70][C0]
    Waiting for a confirmation…
    ERROR Connection timed out: select
    ERROR occured!
    wirenboard-AO5SACJL:~# modbus_client --debug -mrtu -b9600 -pnone -s2 /dev/ttyRS485-1 -a91 -t0x05 -r4 1
    Data to write: 0x1
    Opening /dev/ttyRS485-1 at 9600 bauds (N, 8, 2)
    [5B][05][00][04][FF][00][C1][01]
    Waiting for a confirmation…
    ERROR Connection timed out: select
    ERROR occured!
    wirenboard-AO5SACJL:~# modbus_client --debug -mrtu -b9600 -pnone -s2 /dev/ttyRS485-1 -a91 -t0x05 -r5 1
    Data to write: 0x1
    Opening /dev/ttyRS485-1 at 9600 bauds (N, 8, 2)
    [5B][05][00][05][FF][00][90][C1]
    Waiting for a confirmation…
    ERROR Connection timed out: select
    ERROR occured!

  3. Конфиг:
    wirenboard-AO5SACJL:~# cat /etc/wb-mqtt-serial.conf
    {
    “debug” : false,
    “ports” :
    [
    {
    “baud_rate” : 9600,
    “data_bits” : 8,
    “devices” :
    [
    {
    “device_type” : “WB-MR6C”,
    “enabled” : true,
    “in0_mode” : 6,
    “in0_out1_sp” : 3,
    “in1_mode” : 6,
    “in1_out1_sp” : 3,
    “in2_mode” : 6,
    “in2_out1_sp” : 3,
    “in4_mode” : 6,
    “in4_out2_sp” : 3,
    “in5_mode” : 0,
    “in6_mode” : 0,
    “name” : “Lights_CorrStoreroomBath”,
    “outputs_restore_state” : 1,
    “slave_id” : “70”
    },
    {
    “device_type” : “WB-MR6C”,
    “enabled” : true,
    “in0_mode” : 6,
    “in0_out1_sp” : 3,
    “in1_mode” : 6,
    “in1_out2_sp” : 3,
    “in2_mode” : 6,
    “in2_out1_sp” : 3,
    “in3_mode” : 0,
    “in4_mode” : 0,
    “in5_mode” : 6,
    “in5_out1_sp” : 3,
    “name” : “Lights_BedroomWardrobe”,
    “outputs_restore_state” : 1,
    “slave_id” : “38”
    },
    {
    “device_type” : “WB-MR6C”,
    “enabled” : true,
    “in1_mode” : 0,
    “in2_mode” : 0,
    “in3_mode” : 0,
    “in4_mode” : 0,
    “in5_mode” : 6,
    “in5_out5_dp” : 0,
    “in5_out5_sp” : 3,
    “in5_out6_dp” : 3,
    “in5_out6_sp” : 0,
    “in6_mode” : 0,
    “name” : “Lights_KitchenBalconyChild”,
    “outputs_restore_state” : 1,
    “slave_id” : “13”
    },
    {
    “device_type” : “WB-MRGBW-D_fw3_nosubdev”,
    “dimmer_mode” : 34,
    “in1_lp” : 45064,
    “in1_slp” : 45065,
    “in1_sp” : 12295,
    “in2_lp” : 45066,
    “in2_slp” : 45065,
    “in2_sp” : 12296,
    “name” : “Led_CorridorChildroom”,
    “slave_id” : “55”
    },
    {
    “device_type” : “WB-MRGBW-D_fw3_nosubdev”,
    “dimmer_mode” : 34,
    “in1_lp” : 45065,
    “in1_slp” : 45066,
    “in1_sp” : 12296,
    “in2_lp” : 45066,
    “in2_slp” : 45065,
    “in2_sp” : 12296,
    “in3_sp” : 12295,
    “name” : “Led_Bedroom”,
    “slave_id” : “21”
    },
    {
    “channels” :
    [
    {
    “enabled” : true,
    “name” : “FW Version”
    },
    {
    “enabled” : true,
    “name” : “Supply Voltage”
    },
    {
    “enabled” : true,
    “name” : “MCU Temperature”
    },
    {
    “enabled” : true,
    “name” : “MCU Voltage”
    }
    ],
    “device_type” : “WB-MR6C”,
    “enabled” : true,
    “name” : “WarmFloor”,
    “outputs_restore_state” : 1,
    “slave_id” : “91”
    },
    {
    “device_type” : “WB-MR6CU”,
    “enabled” : true,
    “name” : “ElectricSockets”,
    “outputs_restore_state” : 1,
    “slave_id” : “53”
    },
    {
    “device_type” : “WB-MWAC”,
    “enabled” : true,
    “name” : “WaterSafe”,
    “outputs_restore_state” : 1,
    “slave_id” : “23”
    }
    ],
    “enabled” : true,
    “parity” : “N”,
    “path” : “/dev/ttyRS485-2”,
    “port_type” : “serial”,
    “read_rate_limit_ms” : 10,
    “stop_bits” : 2
    },
    {
    “baud_rate” : 9600,
    “data_bits” : 8,
    “devices” : ,
    “enabled” : false,
    “parity” : “N”,
    “path” : “/dev/ttyMOD1”,
    “read_rate_limit_ms” : 10,
    “stop_bits” : 2
    },
    {
    “baud_rate” : 9600,
    “data_bits” : 8,
    “devices” : ,
    “enabled” : false,
    “parity” : “N”,
    “path” : “/dev/ttyMOD2”,
    “read_rate_limit_ms” : 10,
    “stop_bits” : 2
    },
    {
    “baud_rate” : 9600,
    “data_bits” : 8,
    “devices” : ,
    “enabled” : false,
    “parity” : “N”,
    “path” : “/dev/ttyMOD3”,
    “read_rate_limit_ms” : 10,
    “stop_bits” : 2
    },
    {
    “baud_rate” : 9600,
    “data_bits” : 8,
    “devices” :
    [
    {
    “channels” :
    [
    {
    “name” : “Temperature”,
    “read_period_ms” : 1000
    },
    {
    “name” : “Illuminance”,
    “read_period_ms” : 1000
    },
    {
    “name” : “Max Motion”,
    “read_period_ms” : 1000
    },
    {
    “name” : “Current Motion”,
    “read_period_ms” : 1000
    },
    {
    “name” : “Buzzer”,
    “read_period_ms” : 1000
    },
    {
    “name” : “Red LED”,
    “read_period_ms” : 1000
    },
    {
    “name” : “Green LED”,
    “read_period_ms” : 1000
    },
    {
    “name” : “LED Period (s)”,
    “read_period_ms” : 1000
    },
    {
    “name” : “LED Glow Duration (ms)”,
    “read_period_ms” : 1000
    },
    {
    “enabled” : false,
    “name” : “Learn to RAM”
    },
    {
    “enabled” : false,
    “name” : “Play from RAM”
    },
    {
    “name” : “Humidity”,
    “read_period_ms” : 1000
    },
    {
    “enabled” : false,
    “name” : “Learn to ROM1”
    },
    {
    “enabled” : false,
    “name” : “Learn to ROM2”
    },
    {
    “enabled” : false,
    “name” : “Learn to ROM3”
    },
    {
    “enabled” : false,
    “name” : “Learn to ROM4”
    },
    {
    “enabled” : false,
    “name” : “Learn to ROM5”
    },
    {
    “enabled” : false,
    “name” : “Learn to ROM6”
    },
    {
    “enabled” : false,
    “name” : “Learn to ROM7”
    },
    {
    “enabled” : false,
    “name” : “CO2”
    },
    {
    “enabled” : false,
    “name” : “Air Quality (VOC)”
    },
    {
    “enabled” : false,
    “name” : “Play from ROM1”
    },
    {
    “enabled” : false,
    “name” : “Play from ROM2”
    },
    {
    “enabled” : false,
    “name” : “Play from ROM3”
    },
    {
    “enabled” : false,
    “name” : “Play from ROM4”
    },
    {
    “enabled” : false,
    “name” : “Play from ROM5”
    },
    {
    “enabled” : false,
    “name” : “Play from ROM6”
    },
    {
    “name” : “Sound Level”,
    “read_period_ms” : 1000
    },
    {
    “enabled” : false,
    “name” : “Play from ROM7”
    }
    ],
    “device_type” : “WB-MSW v.3”,
    “name” : “SensorBath”,
    “slave_id” : “236”
    }
    ],
    “enabled” : true,
    “parity” : “N”,
    “path” : “/dev/ttyRS485-1”,
    “port_type” : “serial”,
    “read_rate_limit_ms” : 500,
    “stop_bits” : 2
    }
    ]
    }

Не нахожу ваше реле с адресом 91 в конфиге.
Оно на данный момент отображается в веб интерфейсе вообще?
Сможете скрин прислать?

{
“enabled” : true,
“name” : “MCU Voltage”
}
],
“device_type” : “WB-MR6C”,
“enabled” : true,
“name” : “WarmFloor”,
“outputs_restore_state” : 1,
“slave_id” : “91”
},
{
“device_type” : “WB-MR6CU”,
“enabled” : true,
“name” : “ElectricSockets”,
“outputs_restore_state” : 1,
“slave_id” : “53”
},

видимо пропустил извиняюсь

Сможете в настройках сериал устройств показать как оно отображается на примере моего скрина?

Нет ли красных топиков в mqtt?
Пытаюсь понять не сломался ли шаблон.

Есть ли возможность удалить его и добавить сканированием порта либо вручную заново?
Правильно я понимаю что в WebUI переключая вручную контролы загораются только светодиоды а реле не включаются?

Удалил сначала в разделе “Устройства”, далее удалил в “Конфигур. файлах → Настройка драйвера Serial-устройств”. Сохранил. Далее снова добавил реле. Но без изменений - переключая вручную контролы загораются только светодиоды а реле не включаются (нет напряжения (в выходе К6 наоборот - напряжение не пропадает при выключении контрола).

Предварительная диагностика показывает, что мы имеем дело с аппаратной неисправностью.

Нашёл ваш заказ от 19.10.2021.
К сожалению гарантийный срок вышел.
Стоимость ремонта сопоставима с покупкой нового устройства, поэтому оптимальным решением станет его замена.
Предлагаем скидку 10% на покупку WB-MR6C v.2 - 1 шт.

Со скидкой вы можете приобрести новое или восстановленное устройство той же модели взамен вышедшего из строя.
Для получения купона на скидку напишите электронное письмо на адрес info@wirenboard.com с указанием ссылки на данную тему.