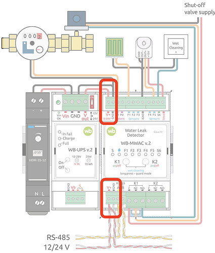
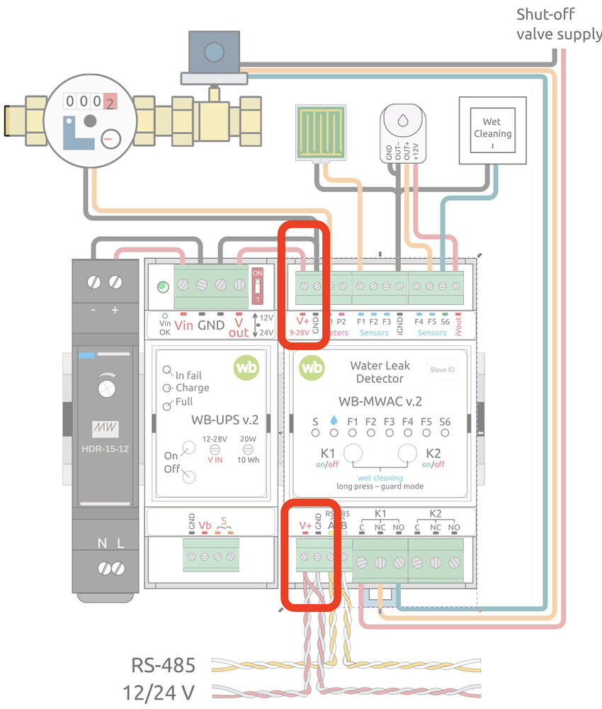
Если по документации к WB-MWAC он должен быть запитан от выделенного только для этой цели блока питания, то зачем на схеме подключения в той же документации блок запитан еще и на нижней клемме? И, судя по схеме, нижним шлейфом 12/24В запитаны и другие устройства.
Здравствуйте.
Т.к. модуль является устройством контроля протечек, мы резервируем питание для продолжения работы модуля при нештатных ситуациях.
Правильно ли я понимаю, что в вашей схеме питание снизу подразумевается от выделенного только для MWAC блока питания? Просто там есть входящий и отходящий кабель 24В.
Снизу показан пример питания от общей шины RS-485.
Сверху можно запитать дополнительно отдельным БП или ИБП.
Модуль сам выберет от какого источника питаться выбрав наибольшее напряжение.
Здравствуйте.
Если у вас остались вопросы - пишите, постараемся помочь.

