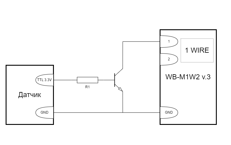
Добрый день! Есть некий датчик, выдающий на свой выход TTL уровень 3.3V. Есть желание подключить его к входу WB-M1W2 v.3 настроенному в режиме “сухого контакта”. На сколько я понимаю это можно сделать используя транзистор в ключевом режиме. Но мои знания в этом вопросе несколько улетучились со времен школьного радиокружка времен транзисторов МП42. Набросал простенькую схему - скажите пожалуйста, она должна сработать в мойм случае?
Представленная вами схема вполне рабочая.
И, да, знания полученные в эпоху “до интернета” - не выветриваются и не пропиваются ![]()
Спасибо, Ваш ответ весьма обнадёживает ![]()
Тогда, если не трудно, возможно прокоментируете мои расчёты R1:
Миллиамперметром измерил ток, между входом "1 " и GND WB-M1W2 - получил значение в районе 2.7 ma. Соответственно использовал этот значение как ток коллектора для своего транзистора. Транзистор планирую использовать S9018 (их обнаружилось у меня некоторое количество). Из даташита беру минимальное значение коэффициента усиления по току - 28. Соответственно ток базы получается “ток коллектора / коэффициент усиления”, т.е. 0.0027 ампера /28 = 0.0000964 ампера. Сопротивление R1 = 3.3 вольта / 0.0000964 ампера = 34232 Ома.
В правильности этого расчета не совсем уверен, так как гугление даёт несколько более сложный ход вычислений, а именно через нагрузку в цепи коллектора и учет напряжения насыщения перехода коллектор-эмиттер. Для этого можно было бы расчитать сопротивление входа WB-M1W2 (суть нагрузка ключа) как 5 вольт/0.0027 ампер ну и так далее… Вот имеет ли смысл заморачиваться таким подходом или приведенный выше расчет достаточен?
Добрый день.
4,7кОм ставьте. Для высокого уровня 3,3 ток будет меньше 1мА.
В общем достаточен, конечно. Но тут транзистор в ключевом режиме и можно особо не усложнять.
