Добрый день!
Столкнулся со следующей ситуаций.
Контроллер AM75Z4F3, wb-2507, stable, 8.4.3A/4G2 1.2A-4G.
К нему подключен ряд устройств: “wb-mao4_221”, “wb-mr6c_16”, “wb-mr6c_63”,“wb-mr6c_83”,“wb-mr6c_84”,“wb-mr6c_117”,“wb-mr6cu_108”,“wb-mr6cu_131”,“wb-mr6cu_239”,“wb-led_130”,“wb-led_144”,“wb-map6s_55”,“wb-map6s_116”,“wb-mio-e_183”,“wb-mai6_119”,“wb-mr6cu_207”,“wb-mio_162”. Основная часть подключена к RS-485 1, кроме wb-mio-e_183 и wb-mai6_119, которыеые подключены через шлюз WB-MIO-E v.2, который в свою очередь подключен напрямую к контроллеру в eth.
Так же к контроллеру подключен инвертор по протоколу snmp (192.168.184.20), через внешний коммутатор, который подключен к контроллеру через другой eth порт.
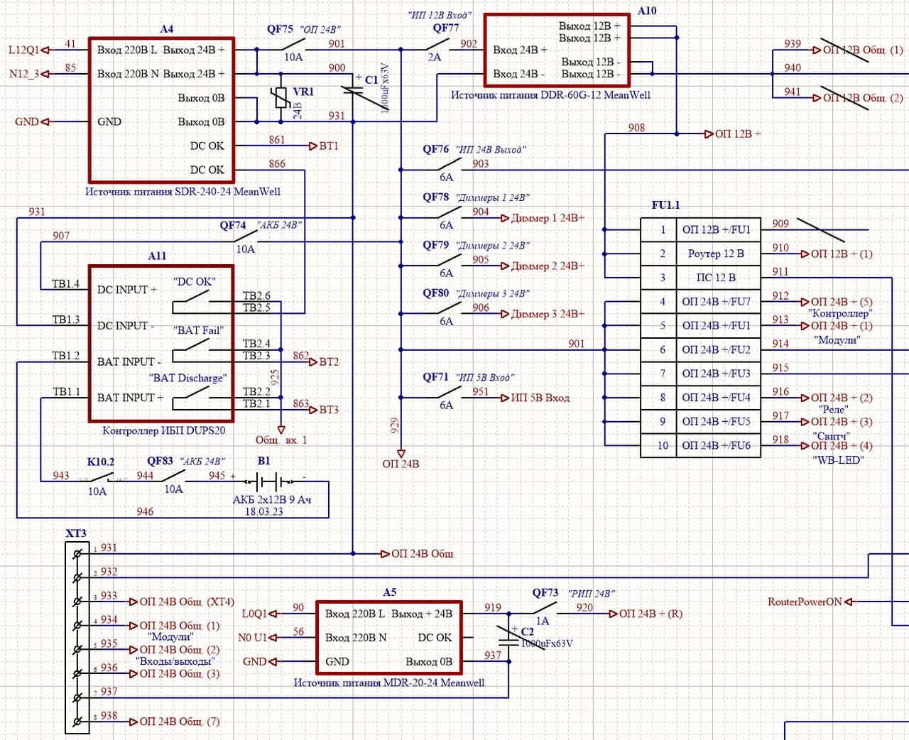
Запитывается всё это от двух линий питания 24 В:
- линия гарантированного питания от ИБП постоянного тока (DUPS20), на ней висит всё уже упомянутое, включая контроллер.
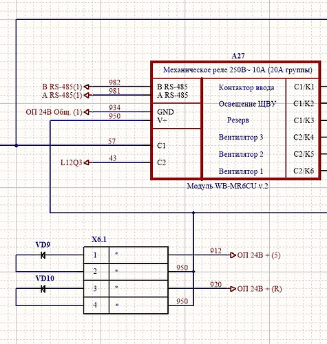
- резервный источник питания, на нём висят контроллер, wb-map6s_55, wb-mr6cu_207, wb-mio_162. Уточняю, что эти элементы питаются через диодную развязку, то есть напряжение на них приходит либо от 1 линии, либо от резервного. Резервный источник обычно отключен. Включается при пропадании питания на 1 линии. При таком переключении происходит кратковременная пауза, поэтому контроллер и модули перезапускаются.
Теперь по проблемам, их две.
Проблема 1. Если отключить основное питание 24 В, и перезапустить контроллер от резервного ИП, то даже запитанные модули перестают нормально опрашиваться.
Сами модули не показаны как офлайн, они не святятся красным и даже имеют значения в полях топиков, но их данные не обновляются. Для сравнения: 55 модуль запитан, 116 нет.
Я зашёл в настройки последовательных портов, включил режим отладки и записал лог. Он выше.
Сразу скажу, что проблемы не было какое-то время назад, проверяли такой режим неоднократно. У меня есть функция практически полного обесточивания, опция работала, контроллер норм входил и выходил из данного режима. Проблема, как мне кажется, проявилась только на прошлой неделе, когда отключили питание, включили, и контроллер не выполнил алгоритмы включения. Я это связываю именно с проблемой связи с модулями.
Для полноты картины так же опишу, что произошло неделю назад.
- реле wb-mr6cu_207/K1 было замкнуто.
- отключили основное питание контроллера. Реле wb-mr6cu_207/K1 так же откючилось.
- контроллер запустился на резервном источнике питания. Реле wb-mr6cu_207/K1 НЕ ВКЛЮЧИЛОСЬ. По идее должно было включиться. Но не придал этому значения.
- прошло 10-20 минут, включили основное питание контроллера. все модули получили питание. Реле wb-mr6cu_207/K1 по-прежнему было отключено.
- Я зашел в админку по веб, и вижу, что в админке wb-mr6cu_207/K1 включено. В жизни нет, светодиод у 1 выхода на wb-mr6cu_207 не горит. ПРОВЕРИЛ визуально.
- Перезагрузил контроллер руками по кнопке ПЕРЕЗАГРУЗКА в админке. Ничего не поменялось - в админке горит включенным выход, в жизни нет.
- Передёрнул в админке этот выход - как только он оказался отключенным, скрипт смог его включить с первого раза.
Моя гипотеза была в том, что контроллер потерял связь с модулем - и даже после перезагрузки не мог понять, что модуль тут. Такое ощущение, что состояние его выходов жёстко застряло в контроллере, что он не мог его синхронизировать с модулем.
Диагностический архив на тот момент времени был приложен в этом посте
(там я описал другую проблему и не стал смешивать)
Эксперименты, которые я проводил сегодня и создал эту тему - это попытка повторить ту ситуацию. Один в один она не повторилась, но схожесть поведения модулей есть. Я уже глянул лог - там mqtt serial упорно пытается связаться с модулем 221 и напрочь забывает обо всём остальном. Но возможно я что-то не так смотрю, так что оставляю вопрос специалистам.
Проблема 2.
Кстати, она в прошлые выходные так же повторилась, то есть это уже уверенное поведение контроллера.
После того, как все модули были запитаны и вроде как всё внешне ожило - не восстановилась связь с инвертором по протоколу snmp (192.168.184.20). Я пробовал в прошлые выходные перезапускать инвертор, переподключал его snmp модуль - эффекта не было. А вот перезагрузка контроллера сразу вернула обмен с ним к жизни. Сегодня сам инвертор не трогал, перезагрузка контроллера помогла, связь с ним восстановилась.
Удалённый доступ к контроллеру есть, что-то заходить выполнять можно, однако так пощёлкать питанием проблематично во время рабочей недели. Если что-то вдруг пойдёт не так, то будет некому запустить систему даже вручную.











