Подключение полотенцесушителя с программируемым термостатом к WB

Добрый день.

Рассматриваем возможность установки полотенцесушителя в комплекте к которому идет настенная панель с термостатом. https://boheme.su/downloads/installation%20instructions/722-723.pdf

Подскажите, пожалуйста, можно ли данный полотенцесушитель подключить к WB. Например:

  1. Купить другую панель с термостатом, где есть modbuss для дальнейшего подключения к WB
  2. Купить модуль M1W2, подключить его к встроенному термостату полотенцесушителя и по modbuss подключить к WB.
  3. Подключить через другие модули WB.

В большей степени даже интересует вариант 2 и 3, т.к. иметь панель на полотенцесушитель не очень хочется, а модель нравится.

Спасибо.

Добрый день!

Подключить к WirenBoard термостат, который идет в комплекте и использует проприетарный протокол – задача достаточно сложная.
Заменить можно на один из числа поддерживаемых.
Для управления через контроллер я бы попробовал не использовать встроенный термостат, а задействовать сигнал со встроенного датчика температуры в самом полотенцесушителе и выход реле для подачи питания на тэн. Далее уже работать с логикой в самом контроллере. Откроется возможность задействования данных о влажности в помещении для его управления (для этого нужно будет установить датчик MSW v.4)

Добрый день. Спасибо большое за ваш ответ.

Можно, пожалуйста, попросить чуть более детально прокомментировать последний вариант. С датчиком MSW v4 знаком. Но, как я понимаю, этот датчик отдельно подключается к WB через modbuss. А именно провода от датчика температуры / питание как подсоединить к WB, чтобы можно было включать/ выключать и температуру регулировать на полотенцесушителе?

Спасибо.

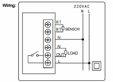
Если у вас уже есть полотенцесушитель, то прозвоните его выводы.
Нужно найти контакты тэна OUT, N и датчика температуры RT, RT. По возможности сделайте, пожалуйста, фото.

Нет, к сожалению еще нет. Как раз и пытаюсь разобраться, смогу ли я его подключить нормально к умному дому или нужно что-то другое искать. А для этого хотел понять к каким модулям WB можно подключить RT контакты.

Судя по инструкции, вы можете вообще не использовать пульт полотенцесушителя. Просто подавайте на полотенцесушитель питание через любой наш релейный модуль, подходящий по току. И ориентируйтесь на показания любого датчика температуры, например уже указанный коллегой WB-MSW.

Здравствуйте, у вас есть еще вопросы?