Проблемы с портом RS2

приложен диагностический архив, доступен только сотрудникам поддержки
(407,0 КБ)

Порт RS-2 был зарезервирован для штор (dauerhaft pro). Начали подключать по одной (обжатые разъемы) и настраивать. 6 подключено успешно, на 7-м моторе “потух свет”. Контроллер перестал видеть устройства на RS-2. При включении порта RS-2 происходит отключение всех устройство, в том числе на RS-1.
Замерил напряжение между A и B на RS-1: 2в.
Замерил напряжение между A и B на RS-2: постоянно меняется, то КЗ, то что-то еще. Мультиметр простенький.

Прилагаю диагностический архив

Добрый день!

В архиве на /dev/ttyRS485-2 только turkov_zenit_heco_550e. И вообще не вижу приводов штор. Уточните модель оборудования и как подключено. Приложите схему.

Рекомендую провести диагностику по инструкции: Serial-устройства работают нестабильно.

Постарайтесь отключить всё лишнее, и определить минимальную конфигурацию оборудования и ПО, при которой ошибка воспроизводится. Как это сделаете, сохраните еще раз лог и укажите примерное время возникновения ошибки.

  1. Всё верно, к порту RS2, как устройство с шаблоном подключено только одно устройство - вентмашина турков. Привода штор серии pro подключаются через правило wb rules. Правила прилагаю.

    Reboot rule v1.1.js (3,6 КБ)

    Драйвер Dauerhaft V1.11.js (57,4 КБ)

  2. Оборудование подключено через обжимные коннекторы

  3. Сейчас всё оборудование отключено от порта физически (разъем Degson RS2). В этом формате диагностический архив и создавался. Проблема даже в этом режиме - когда физически всё отключено. В таком формате и производился замер на клеммах. Т.е. ошибка есть когда всё физически отключено. RS2 не видит устройства. Достаточно отключить+включить или сделать любое изменение на порту RS2 = перезапуск обоих RS

Попрошу вас добавить правила в архив и выслать. Не удается скачать из-за ограничений безопасности.

Как я понимаю, у вас кастомный драйвер и проблема с физическим подключением.

6 подключено успешно, на 7-м моторе “потух свет”.

Не до конца понимаю проблему. Теперь и 6 устройств не удается увидеть? Есть подозрение что порт неработоспособен? Через Serial_tool попробуйте опросить один привод.

Всё верно. Есть подозрение что порт RS2 умер:

  1. Пробовал подключить только 1 устройство от wirenboard. Контроллер его не находит по тайм-ауту

  2. Замерял напряжение между A и B на RS2 - мультиметр показывает то кз, то что-то ещё с разницей в секунду

  3. Архив прилагаю

    DauerhaftPRO.zip (11,9 КБ)

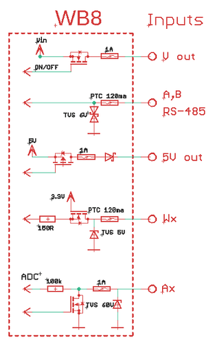
Если есть возможность, то разберите корпус проверьте состояние защитного PTC резистора - не должно быть обрыва. Пришлите фотографию этой части платы.

.

Другой порт находит устройства? 5 В питания на выводе присутствует?

Да, порт RS1 работает корректно, напряжение питания выдает, между а и в стабильно 2в

Можете подробнее указать, лучше на фото, что и где нужно замерить на плате. Контроллер 8.5

Пришлите фото платы с обеих сторон, возможно визуально будут видны следы от сгоревших элементов.
Интересуют защитные элементы с маркировкой F на линиях А и В.

Для уверенности, что порт действительно не работает, я бы попробовал еще выполнить Проверка связи по RS-485 через modbus_client_rpc. Пришлите вывод результата проверки на одном и другом портах.