Трансформаторы тока

Добрый день!

Есть задача измерять энергию нагрузкой больше 400А. У вас на сайте не нашёл таких трансформаторов тока. Подскажите, пожалуйста, для счётчика Map3e есть ли у вас трансформаторы тока больше 400А? Все что есть разных номиналом вплоть до 2000А.

Добрый день.
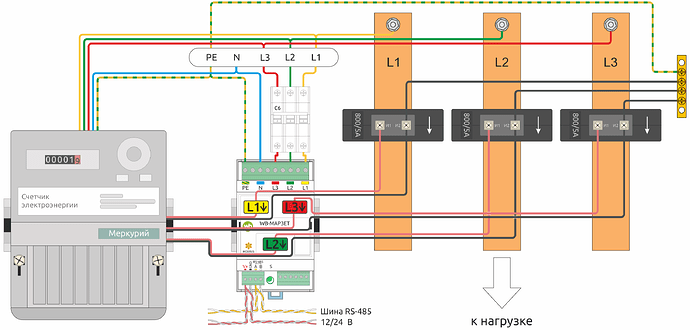
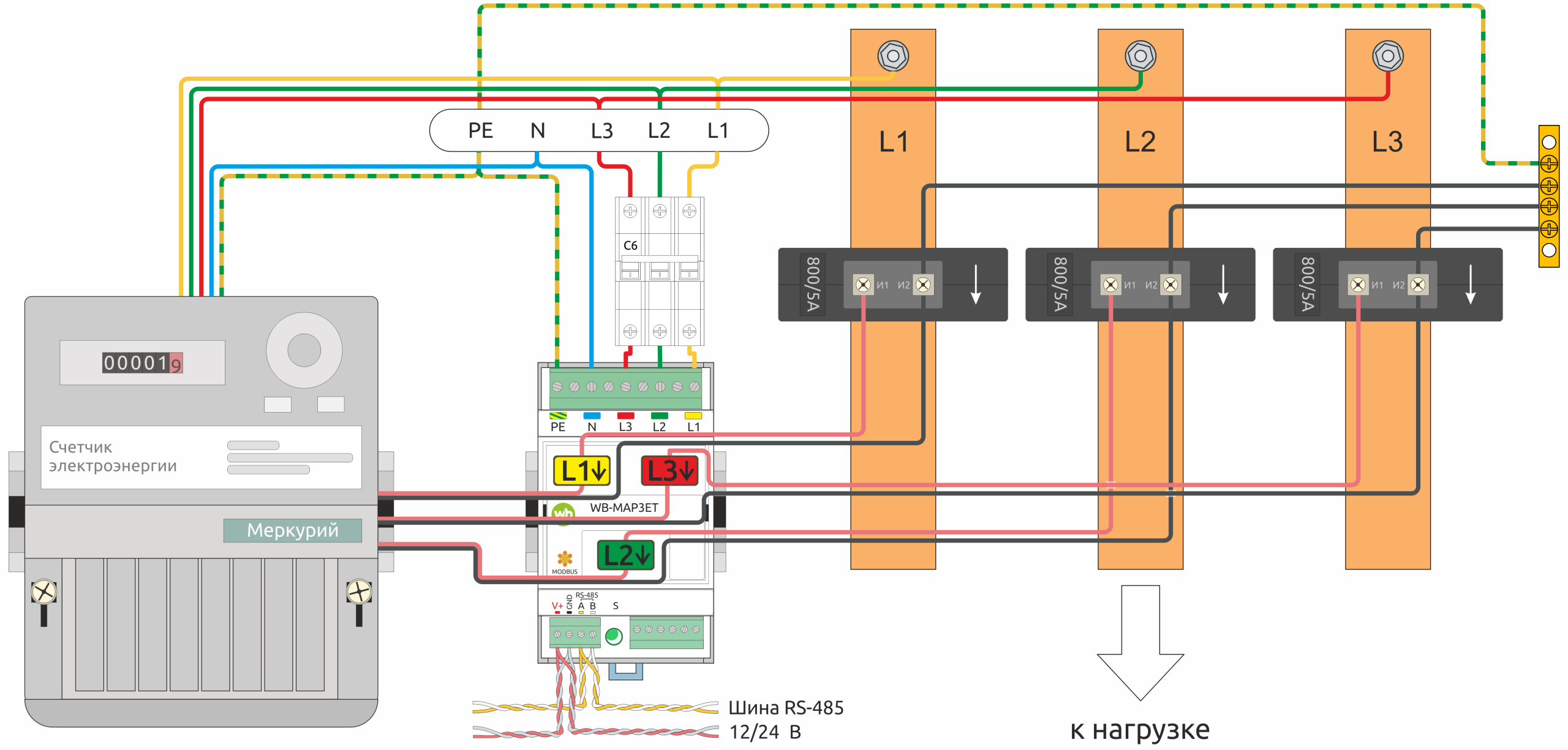
Можно использовать WB-MAP3ET для измерения через вторичную обмотку больших ТТ по схемам


1 лайк

понял, спасибо.
Уточните только, пожалуйста, трансформаторы тока любых производителей к можно подключать WB-MAP3ET , у которых выход 5A?

Можно любых производителей.

1 лайк

Спасибо за помощь!

Рад был помочь.