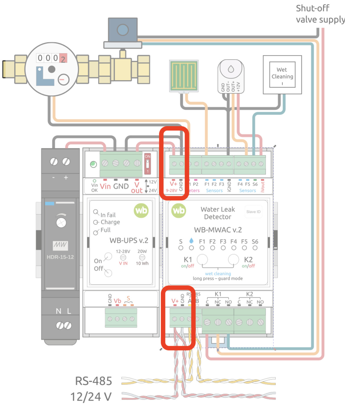
Питание модуля WB-MWAC v.2

Добрый день!

В документации к модулю WB-MWAC v.2 указано, что если датчик протечки расположен в зоне 1 (например, под ванной), то есть требование к цепям питания MWAC: “питаться от блока питания должны только модули MWAC (один или несколько)”.

Подскажите, пожалуйста, насколько это критичное требование, если датчик протечки в зоне 1 пассивный и гальваническая изоляция блока питания рассчитана на номинальное импульсное напряжение в 4000 В? Какие последствия могут быть, если запитать от такого БП MWAC, два привода кранов и 4 модуля WB-MR6C v.2?

Убить эл. током человека в ванной/душе не просто, а очень просто. Поэтому к электроустановкам в таких помещениях предъявляются специальные требования. Они обязательны к исполнению. Если вы не специалист по эл. установкам, вы должны буквально следовать нашим рекомендациям, касающимся безопасности. Если специалист - наши рекомендации вам не нужны, вы можете самостоятельно определять, что и как можно подключать.

1 лайк

Можно, потому что со стороны приводов не может (в нормальном/аварийном режиме) прийти опасное напряжение.

Нельзя, потому что к модулям подводится опасное напряжение, и в аварийной ситуации с их стороны может прийти на датчик опасное напряжение.

Спасибо за пояснение!

Добрый день. Но эта логика рушится, если MWAC управляет кранами на 230В, т.к. к самому MWAC подводится опасное напряжение.

В предлагаемой в документации схеме подключения модуль запитан в двух точках:

  1. от блока питания HDR-15-12 через UPS на верхние клеммы
  2. на клемму RS-485, судя по схеме, от другого блока питания.

Как это отвечает требованию иметь отдельный БП для MWAC?

В самом MWAC предусмотрены барьеры гальванической изоляции на входах датчиков и на выходах.

Два клеммника питания предназначены для возможности питания от двух источников, если есть такая необходимость. Требования к источнику, приведенные в документации, относятся к обоим. Ну и мы не требуем отдельного источника для каждого MWAC, вы можете запитать несколько от одного или двух источников. Главное - не сажайте на эти линии другие модули бездумно.

Правильно ли я понимаю, что не стоит питать от блока питания MWAC модули, коммутирующие 230В? И ведь сам MWAC коммутирует приводы кранов 230В. Чем в этом плане MWAC отличается от того же MR6C v.2?

да

Я же написал:

В самом MWAC предусмотрены барьеры гальванической изоляции на входах датчиков и на выходах.

Так в MR6C v.2 цепи выключателей тоже гальванически развязаны. В чем отличие?

Основное в том что в WB-MWAC имеет также изолированное питание для активных датчиков протечки.

Не удивительно ) Ведь у MR6C нет никаких датчиков протечки ))

Максимально конкретизирую вопрос. Выше вы подтвердили, что требование питать от БП только MWAC снимает риски аварийного прилета высокого напряжения при пробое в другом запитанном от этого БП модуле, коммутирующем цепи 230В. С другой стороны, сам MWAC может коммутировать приводы кранов 230В.
Но если от БП запитан один лишь MWAC, то риск один, если же еще одно или два других модуля то риск прилета высокой растет в 2 или 3 раза соответственно.

Вопрос в следующем:

  1. Требование выделенного БП для MWAC направлено только на количественное снижение вероятности риска?
    Или
  2. Исполнение MWAC надежней других модулей, коммутирующих 230В, например, в части разделения цепей 230 от СНН?

нет

да

Спасибо